Floated Oil Seperator
Introduction
Oil Separator Tank is automatically separating Floating oil from wastewater.
Normally, oil included wastewater can be separated to 2 types, as below.
A) Free oil mixed in wastewater
>> Automatically can separate oil and water. and direct into the oil separator.
B) Emulsion oil + Free oil mixed in wastewater
>> At first, need brake Emulsion oil. (Usual use Acid) After into the oil separator.
“Usually oil was lighter than water, Then oil was floated on top of water.”
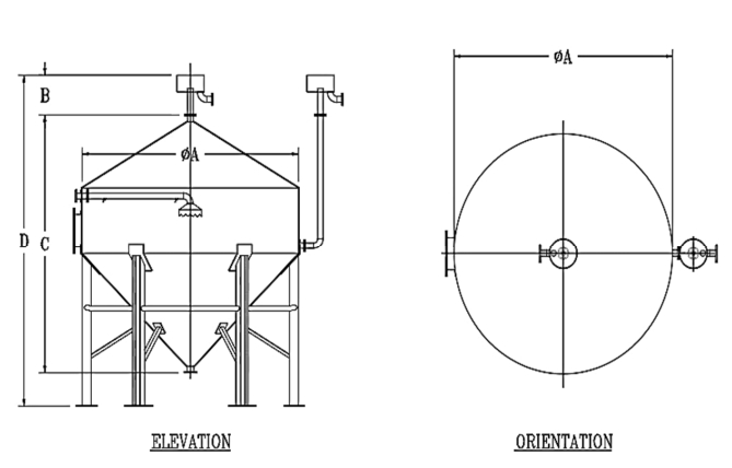
![]() |
1. Oil wastewater is transferred to Oil Separator Tank. The lower in specific gravity, oil will be go to the top and make an Oil Film on the top of water.
2. Over time, Oil wastewater flow through to the top of Oil Separator Tank.
It is clearly to see a thick layer of oil film because of a narrow of head tank.
3. Finally, we can separate oil and water. Discharge level of oil side have to higher than water side that makes a completely separate by specific gravity effect.
Benefit
1) Low Operation and Running cost
2) Easy To Operate & Maintenance
3) Mechanical Less
![]() | ![]() |
![]()
| ![]() |











